BYH108X活塞式電動遙控閥安裝在各類給水系統的管道上,根據電信號或手動操作,使閥門打開或關閉。準確快速的控制反應。關閉速度可調,閥門平穩關閉而不會產生壓力波動。采用三向電磁閥,維護簡單。
當前水力控制閥被廣泛用于石油化工、化工、煤氣、天然氣、液化石油氣、暖通行業以及一般工業中。


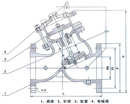
| DN | 50 | 65 | 80 | 10 | 125 | 150 | 200 | 250 | 300 | 350 | 400 | 450 | 500 | 600 | 700 | 800 | 900 | 1000 |
|---|---|---|---|---|---|---|---|---|---|---|---|---|---|---|---|---|---|---|
| L | 205 | 216 | 250 | 320 | 365 | 415 | 500 | 605 | 698 | 787 | 914 | 978 | 978 | 1150 | 1300 | 1450 | 1650 | 1800 |
| H | 320 | 367 | 400 | 452 | 522 | 592 | 696 | 810 | 943 | 1200 | 1230 | 1230 | 1270 | 1600 | 1750 | 1900 | 2100 | 2400 |
溫馨提示:
本文中所有文字、數據、圖片均只適用于參考。需要查看更多的BYH108X活塞式電動遙控閥 性能參數、結構尺寸參數、價格等詳情,或要求印刷樣本,請聯系我們。
主營產品:氣動調節閥 - 電動調節閥 - 自力式調節閥
版版權所有 © 上海大田閥門管道工程有限公司
地址:上海市浦東新區川宏路528號宏圖大樓5樓
