您現在所在位置:大田閥門 >> 襯膠閥門(襯里閥門)
EG6B41W(無襯里)、EG6B41J(襯膠) 氣動隔膜閥(常閉型)專用于控制非腐蝕性或一般腐蝕性介質,閥體內腔表面無襯里或覆有可供選擇的各種橡膠、適用于不同工作溫度和液體管路。
適用溫度:≤85℃、≤100℃、≤120℃、≤150℃(按照襯里和隔膜材料)
壓力等級:PN(MPa) 0.6 1.0 1.6
設計與制造:BS5156
結構長度:BS5156 法蘭連接尺寸:BS4504、DIN2532、JIS B2212、ANSI B16.1、ISO2004

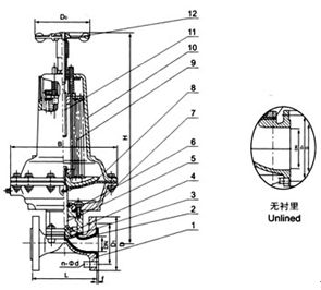
部件列表:1.閥體 2.閥體襯里 3.隔膜 4.閥瓣 5.下閥桿 6.閥蓋 7.氣缸 8.氣動薄膜 9.彈簧 10.氣缸蓋
11.上閥桿 12.手輪
閥體:鑄鐵、球墨鑄鐵、碳鋼、不銹鋼
閥蓋:鑄鐵、球墨鑄鐵、碳鋼、不銹鋼
襯里:無襯里、橡膠
隔膜:橡膠
閥瓣:鑄鐵
氣缸:鋁合金、碳鋼
氣動薄膜:橡膠
閥桿:碳鋼、不銹鋼 手輪:鑄鐵
襯里層:電火花檢測
試驗與檢驗按BS6755標準
公稱壓力:PN(MPa)
閥體:PN×1.5
密封:PN×1.1
| DN | 公稱壓力 MPa |
工作壓力 MPa |
L mm |
D mm |
D1 mm |
n-Фd mm |
f mm |
H mm |
D0 mm |
B mm |
代號 ES |
氣源壓力 MPa |
氣源接頭 MPa |
耗氣量 cm3 |
質量 Kg/kilos |
|---|---|---|---|---|---|---|---|---|---|---|---|---|---|---|---|
| 15 | 1.6 | 1.6 | 108 | 95 | 65 | 4-14 | 2 | ||||||||
| 20 | 117 | 105 | 75 | 4-14 | 2 | 120 | 168 | 61 | 0.3 | 1/8 | 163.87 | 7.2 | |||
| 25 | 127 | 115 | 85 | 4-14 | 2 | 394 | 120 | 168 | 61 | 0.3~0.4 | 1/8 | 196.65 | 8.9 | ||
| 32 | 146 | 140 | 100 | 4-18 | 2 | 400 | 120 | 168 | 61 | 0.3~0.4 | 1/8 | 229.4 | 10.6 | ||
| 40 | 159 | 150 | 110 | 4-18 | 2 | 485 | 165 | 260 | 62 | 0.3~0.4 | 1/4 | 1425.7 | 19.5 | ||
| 50 | 190 | 165 | 125 | 4-18 | 2 | 635 | 165 | 318 | 63 | 0.3~0.4 | 1/4 | 2284.1 | 34.9 | ||
| 65 | 1.0 | 1.0 | 216 | 185 | 145 | 4-18 | 2 | 650 | 165 | 318 | 63 | 0.3~0.4 | 1/4 | 3048 | 39.9 |
| 80 | 254 | 200 | 160 | 8-18 | 2 | 660 | 165 | 318 | 63 | 0.4~0.5 | 1/4 | 3244.7 | 51.9 | ||
| 100 | 305 | 220 | 180 | 8-18 | 2 | 816 | 280 | 425 | 64 | 0.4~0.5 | 3/8 | 6964.5 | 93.2 | ||
| 125 | 356 | 250 | 210 | 8-18 | 3 | 825 | 280 | 425 | 64 | 0.4~0.5 | 3/8 | 7439.7 | 105.3 | ||
| 150 | 406 | 285 | 240 | 8-22 | 3 | 1013 | 365 | 549 | 65 | 0.5 | 3/8 | 14912 | 184.5 | ||
| 200 | 0.6 | 0.6 | 521 | 340 | 295 | 8-22 | 3 | 1300 | 483 | 749 | 66 | 0.6 | 1/2 | 49161 | 407.4 |
| 250 | 635 | 395 | 350 | 12-22 | 5 | ||||||||||
| 300 | 749 | 445 | 400 | 12-22 | 5 |
注:1. 氣動隔膜閥門尚可附裝反饋信號、限位器或定位器,以適應自控、程控或調節流量的需要。
2. 氣動閥門的反饋信號采用無觸點傳感技術。
3. 采用薄膜式氣缸替代活塞式氣缸,排除了活塞易損漏而導致無法啟閉閥門的弊端。
4. 當氣源發生故障時,可操作手輪使閥門開啟。
溫馨提示:
本文中所有文字、數據、圖片均只適用于參考。需要查看更多的EG6B41W(無襯里)、EG6B41J(襯膠) 氣動隔膜閥(常閉型)性能參數、結構尺寸參數、價格等詳情,或要求印刷樣本,請聯系我們。
主營產品:氣動調節閥 - 電動調節閥 - 自力式調節閥
版版權所有 © 上海大田閥門管道工程有限公司
地址:上海市浦東新區川宏路528號宏圖大樓5樓
