您現在所在位置:大田閥門 >> 襯膠閥門(襯里閥門)
EG641W(MS)(無襯里)、EG641J(MS)(襯膠) 氣動隔膜閥專用于控制非腐蝕性或一般腐蝕性介質,閥體內腔表面無襯里或覆有可供選擇的各種橡膠、適用于不同工作溫度和液體管路。

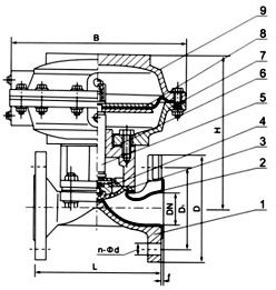
部件列表:1.閥體 2.閥體襯里 3.隔膜 4.閥瓣 5.下閥桿 6.閥蓋 7.氣缸 8.氣動薄膜 9. 氣缸蓋
閥體:鑄鐵、球墨鑄鐵、碳鋼、不銹鋼
閥蓋:鑄鐵、球墨鑄鐵、碳鋼、不銹鋼
襯里:無襯里、橡膠
隔膜:橡膠
閥瓣:鑄鐵
氣缸:鋁合金、碳鋼
氣動薄膜:橡膠
閥桿:碳鋼、不銹鋼
襯里層:電火花檢測
試驗與檢驗按BS6755標準
公稱壓力:PN(MPa)
閥體:PN×1.5
密封:PN×1.1
| 代號 | ES53 | ES54 | ES55 | ES56 | ES57 | ES58 | ||||||
|---|---|---|---|---|---|---|---|---|---|---|---|---|
| B | 168 | 260 | 318 | 425 | 549 | |||||||
| DN | H | kg | H | kg | H | kg | H | kg | H | kg | H | kg |
| 20 | 138 | 3 | 141 | 4.5 | ||||||||
| 25 | 142 | 4 | 145 | 6 | 205 | 11 | ||||||
| 32 | 153 | 5 | 213 | 13.5 | ||||||||
| 40 | 169 | 11 | 229 | 14 | ||||||||
| 50 | 178 | 13.5 | 238 | 17 | 258 | 20.5 | ||||||
| 65 | 253 | 22.5 | 273 | 27.5 | ||||||||
| 80 | 266 | 28.5 | 286 | 34 | 326 | 45 | ||||||
| 100 | 302 | 37 | 322 | 41.5 | 362 | 62 | ||||||
| 125 | 337 | 49 | 377 | 70.5 | 401 | 121 | ||||||
| 150 | 441 | 76.5 | 471 | 122.5 | ||||||||
| 200 | 544 | 207.5 | ||||||||||
| DN | 公稱壓力 MPa |
工作壓力 MPa |
L mm |
D mm |
D1 mm |
n-Фd mm |
f mm |
H mm |
D0 mm |
B mm |
代號 ES |
氣源壓力 MPa |
氣源接頭 MPa |
耗氣量 cm3 |
質量 Kg/kilos |
|---|---|---|---|---|---|---|---|---|---|---|---|---|---|---|---|
| 15 | 1.6 | 1.6 | 108 | 95 | 65 | 2 | |||||||||
| 20 | 117 | 105 | 75 | 4-13.5 | 2 | 136 | 140 | 168 | 54 | 0.3 | 1/8 | 163.87 | 5 | ||
| 25 | 127 | 115 | 85 | 4-13.5 | 2 | 144 | 140 | 168 | 54 | 0.3~0.4 | 1/8 | 196.65 | 6.2 | ||
| 32 | 146 | 140 | 100 | 4-17.5 | 2 | 209 | 140 | 260 | 55 | 0.3~0.4 | 1/8 | 229.4 | 7 | ||
| 40 | 159 | 150 | 110 | 4-17.5 | 2 | 227 | 140 | 260 | 55 | 0.3~0.4 | 1/4 | 1458.7 | 13 | ||
| 50 | 190 | 165 | 125 | 4-17.5 | 2 | 231 | 140 | 260 | 55 | 0.3~0.4 | 1/4 | 3162.7 | 23 | ||
| 65 | 1.0 | 1.0 | 216 | 185 | 145 | 4-17.5 | 2 | 252 | 140 | 260 | 55 | 0.3~0.4 | 1/4 | 3243 | 27 |
| 80 | 254 | 200 | 160 | 8-17.5 | 2 | 285 | 165 | 425 | 56 | 0.4~0.5 | 3/8 | 6636.8 | 56 | ||
| 100 | 305 | 220 | 180 | 8-17.5 | 2 | 360 | 280 | 425 | 57 | 0.4~0.5 | 3/8 | 6948 | 60 | ||
| 125 | 356 | 250 | 210 | 8-17.5 | 3 | 370 | 280 | 425 | 57 | 0.4~0.5 | 3/8 | 7374.2 | 68 | ||
| 150 | 406 | 285 | 240 | 8-22 | 3 | 462 | 280 | 549 | 58 | 0.5 | 3/8 | 10652 | 115 | ||
| 200 | 0.6 | 0.6 | 521 | 340 | 295 | 8-22 | 3 | 544 | 280 | 549 | 58 | 0.6 | 3/8 | 16715 | 196 |
| 250 | 635 | 395 | 350 | 5 |
溫馨提示:
本文中所有文字、數據、圖片均只適用于參考。需要查看更多的EG641W(MS)(無襯里)、EG641J(MS)(襯膠) 氣動隔膜閥性能參數、結構尺寸參數、價格等詳情,或要求印刷樣本,請聯系我們。